반응형

Inventor 17

인벤터 모델링 면에 이미지 넣기

부품이 그려진 상태에서"전사" 클릭 이지미 넣을 면 선택 스케치 모드로 됩니다. 메뉴에서 이미지 클릭 넣을 이미지 선택후 열기 불러와서 구속조건, 치수, 일치, 수평, 수직 등 다양한 방법으로 그림의 위치를 잡아줍니다. 위치가 정해지면 스케치 마무리 하기 마무리 후이미지 / 면 선택후 확인 하면 끝 인벤터 모델링 면에 이미지 넣기

Inventor 2025.11.02

인벤터 조립품 질량 알아보기

인벤터 조립품 질량 알아보기 재질 아이콘 클릭 각 부품에 맞는 재질 더블클릭하면문서 재질 란에 아이콘 생성됨 조립품 이름 선택하면 전체 부품 재질 변경이 가능하고부품만 선택하면 부품만 변경 가능 전체 선택이나특정 부품 선택후 재질 아이콘 클릭 재질 우측 클릭후 선택에 지정 조립품에 우측마우스 후iProperties 클릭 변경된 재질 업데이트 후질량 확인 할수 있습니다.밀도는 각 재질에 맞게 나오면 여러재질일 경우 수량비율에 따른 밀도가 나옴니다.

Inventor 2025.06.24

인벤터 컨텐츠 센터 추가 및 설계 프레임 삽입 자재 추가하기

프레임 삽입에서H빔 150 x 150을 구조에 넣어야 하는데 컨텐츠 센터에 없어서넣어 보았습니다. 먼저 프로젝트 하나 만들고컨테츠 센터 라이브러리 추가 클릭 여기서 KS 나 JIS 등에 추가해되 되는데라이브러리 작성해서 따로 만들어 봤습니다.        확인후 저장    라이브러리에 추가할 모델 그리거나 불러오기150x150그렸습니다.  매개변수 가기 매개변수 바꾸기          기준길에 맨 오른쪽 클릭후 매개변수 선택                          컨텐츠 센터에 등록한 빔이 나옴니다.  설계 > 프레임 삽입 > 추가한 150 빔이 나오는걸 확인할수 있습니다. 삽입  여러 편집도 잘되는거 확인하였습니다.

Inventor 2024.12.31

동력전달장치 축 그리기

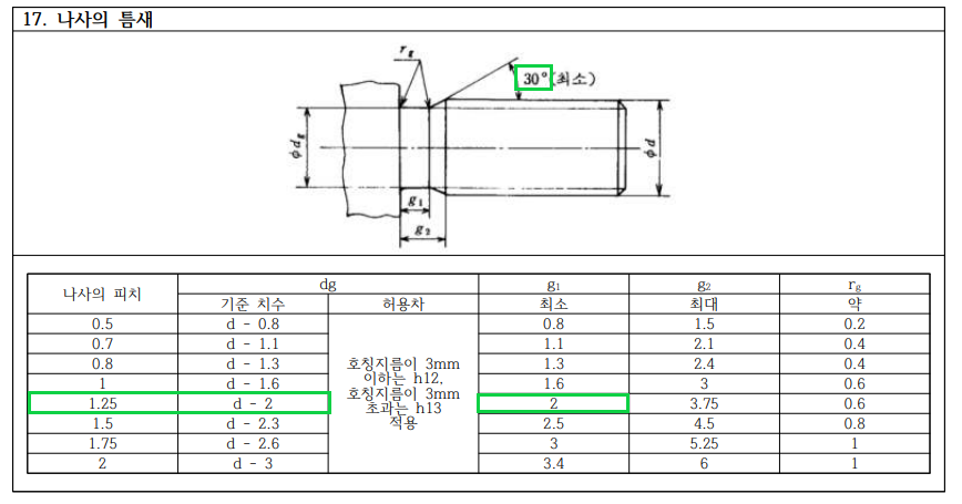
동력전달장치 축 그리기         나사의 틈새 / 키홈 스케치 추가..  회전 - 나사의 틈새는 제외.. 키홈은 포함으로 회전 시킨다.  스케치 했던거 - 우크릭  "스케치 공유"로 불러와서 키홈 가공하기  돌출 누르고 스케치 키홈부분 선택   스케치 가시성 끄기  모깍기 작업     오일실 부착관계는   2 / 30도 / 4R  로 기억..     조립용 모따기   나사   반대편 키홈          멈춤 나서 홈 가공..외부에서 스케치후 축에 이동"동일선상 구속조건"       베어링 r 가공  0.3 .

Inventor 2024.12.20

V벨트풀리

V벨트풀리   선 그리기구성선중심선 변경   실선. 중심선 선택후미러구성선 축으로 하기  PCD가 될 구성선 그리기그릴때 중간 스냅 활성화 안돼게 한쪽 위나 아래 쪽으로 그리기 중간에 걸리면 치수 변경 안됩니다.  치수 하나 입력하기전체 비율에 마쳐서 그림 크기가 변홥니다.  규격집에 나온 치수 입력  풀리 모양에 마쳐서 나머지 스케치..회전      모깍기 값 입력하기 규격집 최대 치수로 0.5  1  2 로 모깍기 하기     주물제품 모깍기 3미리 하기  모따기 1미리      중심 한쪽에 스케치 누르고 키홈 규격에 맞게 스케치  돌출 차집합 전체 관통   멈춤나사 스케치 하기   포인트 / 점. 중심점    표시 후스케치 마무리  구멍 실행시키고 방향에 맞게 탭내기

Inventor 2024.12.20

인벤터 동력전달 장치 본체 그리기

인벤터 동력전달 장치 본체 그리기 스케치 미러 회전 xy평면 스케치사각형 그리고수직구속조건으로 원점과 사각형 가운데점 구속시키기치수 넣기  양방향 돌출 116  가운데 리브 - 폭이 68인 사각형   중심점과 원점 수직구속  양방향 돌출 12  yz 평면 스케치  단면보기 / 단면 형상 투영 선 하나 그리기  돌출 양뱡향   xy 평면 스케치4각형 3개 그리기그림과 같은 치수사각형 아래선은 중심선으로 변경  회전 / 차집합  모깎기 같은  볼트 구명 중심위치와 같은 치수로 하면나중에 홀작업하기 좋습니다.  스케치 작성 -> 형상투영 -> 스케치 마무리  구멍 작업  구멍 실행후  스케치 작업에서 형상 투영된 4 점을 클릭하면 됩니다.  모깍기 1 -  그림같은 세로 12개 선택후 확인  모깍기 2- 원 ..

Inventor 2024.12.20

인벤터에서 질량 계산 하기

질량 계산하기 도구 > 문서설정 > 단위 탭에서  질량 단위 설정하기.   모형탭에서  부품에 우측클릭 후  iProperties  선택  물리적 탭에서..1. 재질 선택   일반 : 비중 12. 정확도  : 매우높음3. "업데이트"  클릭 4. 질량 계산 되서 나옴니다.  만약  철 일때 무게를 알고 싶다면 재질 변경.  비중이 바뀌면서   질량이 수정됩니다. 비중이 다를경우  재질을 일반으로 하고 계산기로 곱해주시면 됩니다.

Inventor 2024.12.19

인벤터 브레이트 아웃

인벤터 브레이트 아웃  1. 도면에서 스케치 클릭  2. 스케치뷰 선택3. 뷰 선택후 스케치 도구가 나오면 스케치 시작 4. 브레이크 아웃 부분 스케치 후 스케치 마무리 하기  5. 브레이크 아웃    리본메뉴 클릭후 뷰 선택  6.  프로파일 선택후 잘리는 부분 깊이 선택   7. 왼쪽은 반 브레이크 아웃    오른쪽은 1/4 브레이크 아웃   깊이는 뒤쪽으로 1/2

Inventor 2024.12.18
반응형